

Grabber Clip Ends (10 pack)
TP510610
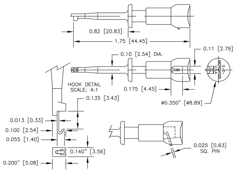
This is a ten pack of Grabber Clip Ends.
Grabber Clip ends slip on to a split pin cable to provide an easy option for those applications that don’t have an exposed pin. This product is compatible with the 34-Pin Split Cable, the 10-Pin Split Cable, or as a replacement for Grabber Clip ends on the 34-Pin Grabber Cable.
The XM25 Micro-Hook is designed for use where weight and leverage may damage components. Its lightweight body (less than 1 gram) and hypo-action hook easily allow for direct hook up to delicate wires and components. Click here for a for a scaled drawing of the Grabber Clip end.
Download Aardvark I2C/SPI Host Adapter Data Sheet
Download Aardvark OEM I2C Host Adapter Data Sheet
Download Aardvark OEM SPI Host Adapter Data Sheet
Download Advanced Cable Tester v2 Data Sheet
Download Beagle I2C/SPI Protocol Analyzer Data Sheet
Download Beagle USB 12 Protocol Analyzer Data Sheet
Download Beagle USB 480 Protocol Analyzer Data Sheet
Download Beagle USB 480 Power Protocol Analyzer Data Sheet
Download Beagle USB 5000 v2 SuperSpeed Ultimate Protocol Analyzer Data Sheet
Download Cheetah SPI Host Adapter Data Sheet
Download Advanced Cable Tester v2 User Manual
Download A2B Bus Monitor User Manual
Download USB Power Delivery Analyzer User Manual
Download Promira Serial Platform I2C/SPI Active User Manual
Download Promira Serial Platform eSPI Analyzer User Manual
Download Promira Serial Platform System User Manual
Download Komodo CAN Interface User Manual
Download Cheetah SPI Host Adapter User Manual
Download Beagle Protocol Analyzer User Manual
